Les méthodes de mesures peuvent être rangées en trois grandes familles :
- Méthodes de déviation directe et indirecte,
- Méthodes des ponts,
- Méthodes de résonances,
La grandeur inconnue est déterminée par lecture directe de la déviation de lappareil de mesure considéré,
Exemples :
- Pour mesurer une puissance, on utilise un wattmètre,
- Pour mesurer une résistance on utilise un ohm mètre.
La précision de cette méthode dépend de la précision de l'appareil de mesure (Incertitude= classe * calibre/100),
Cette méthode consiste à utiliser deux ou plusieurs appareils de mesure. La déviation conjuguée des appareils des mesures utilisées, permettent la détermination de la grandeur inconnue par l'intermédiaire d'une expression mathématique qui fait intervenir les grandeurs mesurées.
Exemple:
Pour mesurer une puissance, on mesure la tension U par un voltmètre et le courant I par un ampèremètre puis on calcule P = U*I.
Dans le cas ou les appareils de mesure sont ampèremètre et voltmètre la méthode est dite volt-ampèremètrique.
La précision de cette méthode dépende de la précision des appareils de mesure utilisés et de leur mode de branchement.
La grandeur inconnue est remplacée par une grandeur étalon. Légalité des indications d'un appareil de mesure (généralement un micro-ampèremètre ) dans les deux cas permet de déterminer la valeur inconnue.
| Exemple : mesure dune f.e.m | ||
![]() |
|
On place la f.e.m à mesurée (E) , et on agit sur le potentiomètre jusqu'à obtenir l'équilibre (c'est à dire i = 0) et on établie la relation suivante: ![]()
On remplace la fe.m à mesurée (E ) par une f.e.m étalon E0, et on agit de nouveau sur le potentiomètre jusqu'à obtenir i=0. On a donc ![]()
La valeur de E est obtenue par ![]()
Les ponts ont été très utilisés pour la mesure des résistances, inductances et capacités, voire des fréquences jusque dans les années 1975. Les progrès de l'électronique les ont rendus peu à peu obsolètes pour les applications de métrologie. Toute fois la structure en pont reste utilisée dans de nombreux montages et son étendue présente également on intérêt pédagogique.
On associe quatre résistances R1 à R4 selon le schéma de la figure2. Le pont est alimenté par une f.e.m (E)

Le pont est dit à l'équilibre lorsque i = 0, c'est-à-dire UCD=0V. Dans ces conditions on peut écrire
i1=i2 et UAC =UAD
i3=i4 et UCB =UDB
Ce qui donne R1.R4=R2.R3
« L'équilibre du pont est réalisé quand les produits en croix des résistances sont égaux »
En pratique, on place la résistance inconnue en R1, R2 est une résistance connue ajustable et R3 et R4 sont des résistances fixes dont on connaît le rapport (K=R3/R4)
A l' équilibre du pont on peut écrire ![]()
Dans beaucoup d'asservissement utilisant des capteurs résistifs, on utilise cette structure en pont. Le capteur est placé dans une branche, les trois autres sont réalisées avec des résistances fixes. Le signal d'erreur est la tension du déséquilibre du pont.
A la place du générateur continu, on utilise un générateur basse fréquence et on remplace les résistances par des impédances, Les calculs restent valides à condition de remplacer les résistances par des impédances complexes.
« L'équilibre du pont est réalisé quand les produits en croix des impédances sont égaux (égalité entre parties réelles et parties imaginaires »
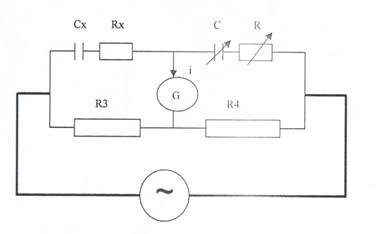
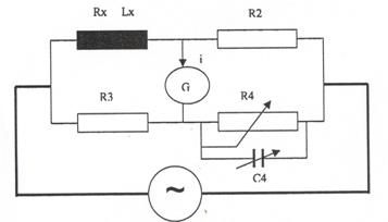
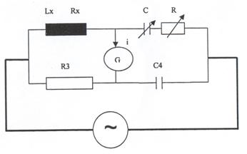
En général, deux dipôles seront des résistances pures de précision, la troisième sera I'impédance inconnue et le quatrième sera constitué de condensateurs de précision associés à des résistances de précision.
On évite de travailler avec des inductances, car leur valeur varie avec la fréquence. Les possibilités d'associations sont assez nombreuses et nous allons examiner les plus utilisés :
![]() |
R3, R4 : résistance pures fixes
|
|---|
A l' équilibre du pont, on peut écrire ![]()
![]() |
|
![]() |
R2, R3 : résistance pures fixes
|
|---|
A l' équilibre du pont, on peut écrire ![]()
La méthode de résonance est utilisée pour mesurer des capacités et des inductances. Elle consiste à placer la grandeur à mesurée dans un circuit résonant série ou parallèle et den déduire la grandeur inconnue à la résonance. En effet, si on considère un circuit résonant série par exemple, à la résonance on peut écrire
et on déduit la grandeur inconnue (L ou C ).
cours mesure mesurage métrologie unités appareils de mesure méthodes de mesure erreurs de mesures incertitudes de mesure calibre classe de précision
Révisé le :22-11-2017 www.technologuepro.com Facebook Twitter RSS