Pour mesurer des grandeurs passives, il est nécessaire de disposer de sources de tensions. On distingue :
Caractérisées par leur résistance interne et le courant maximum qu' e1les peuvent débiter. Les principales sources de tension continu sont :
- Les piles: constituées de deux électrodes de natures différentes plongées dans un électrolyte.
- Les accumulateurs : ce sont des piles réversibles appelées également batterie.
- Les alimentations: constituées de plusieurs modules électroniques, elles ont l'avantage d'avoir une résistance interne faible. Elles sont alimentées à partir du secteur.
Caractérisées par leur fréquence, leur f.e.m et la puissance maximale qu'elles peuvent fournir.
Les principales sources de tension alternative sont :
- Le secteur d'énergie: fournit une tension sinusoïdale de 220 V à 50 HZ, c'est la source essentielle d'énergie qui alimente les appareils de mesure.
- Le générateur à basse fréquence: c'est un appareil qui fournit une tension alternative sinusoïdale, rectangulaire ou triangulaire dont la fréquence est comprise entre 0 et quelques dizaines de KHZ, actuellement jusqu' à quelques centaines de KHZ.
- Le générateur à hautes fréquences: il fournit une tension dont la fréquence est comprise entre quelques dizaines de KHZ jusqu'à quelques centaines de MHZ. La puissance disponible est souvent faible.
Les connexions sont des conducteurs de faible résistance qui réunissent les éléments à mesurer aux appareils de mesure et éventuellement aux sources de tension. Elles doivent influencer aussi peu que possible la mesure.
Les connexions doivent avoir une section choisie en fonction du courant qui les parcourt de façon à créer des chutes de tension négligeables.
On réduit les influences parasites inductives et capacitives en utilisant un blindage mis à la masse.
Dans un montage, un certain nombre d'éléments ont un point électrique commun appelé masse. Il a pour but de maintenir sensiblement au même potentielle les points des organes qui lui sont connectés.
Les connections de masse doivent être les plus courtes possibles et réunies par un conducteur unique à la prise de terre.
![]() |
La prise de terre est réalisée, par exemple, en enfonçant un piquet conducteur dans le sol jusqu'a une nappe aquifère. Les prises de terre peuvent avoir deux rôles :
- Rôles de sécurité : un défaut d'isolement accidentel d'isolement n'entraîne pas de danger pour l'utilisateur.
- Suppression des parasites : les potentiels des pièces métalliques (châssis) étant fixes, les parasites dus aux variations du potentiel sent supprimes.
Un voltmètre mesure la tension entre les deux bornes du circuit ou il a été placé nécessairement en déviation. Théoriquement, il ne devrait pas perturber le circuit, mais le voltmètre, ayant une résistance spécifique non infinie, va perturber la mesure en ajoutant sa résistance interne, celle-ci sera mise en parallèle avec la résistance du reste du circuit entre les deux bornes de mesure.
Il est important de choisir un voltmètre de résistance spécifique élevée pour les mesures en courant faibles, et dadapter le voltmètre (calibre et phénomène intervenant dans le fonctionnement) el la nature de la tension à mesurer.
L'oscilloscope est un instrument de visualisation de phénomènes électriques, il permet entre autres de mesurer la tension aux bornes d'un circuit comme un voltmètre. Certaines précautions sont cependant à prendre :
- Il est nécessaire d'utiliser pour les tensions supérieures à la tension maximale admise à lentrée de l'oscilloscope (généralement 400 V crête) des sondes réductrices calibrées 1/10 ; 1/100
- Pour toute mesure de tension issue du réseau, il est indispensable d'utiliser un transformateur d'isolement en effet, il y a risque d'électrocution si l'appareil n'est pas relié à la terre et il y a risque de court-circuit si la phase du secteur est branchée sur l'entrée masse de l'oscilloscope reliée normalement à la prise de terre par le cordon d'alimentation.
L'appareil étant mis sur le secteur et allumé (bouton marche/arrêt).
- Sans aucun signal d'entrée.
==> Sélecteur de couplage sur la position GND et sélecteur de déclenchement de la base de temps en automatique.
==> Base de temps en position intermédiaire (exemple: 1 ms/div).
==> Les commandes de réglage verticale et horizontale permettent d'obtenir une trace horizontale sur I' écran.
==> Une action sur les réglages de lumière et de focalisation permettent de régler la luminosité et la finesse de la trace.
- Avec un signal d'entrée sur l'une des voies :
==> L'entrée du signal se fait par cordon coaxial sur fiche BNC.
==> Le sélecteur de couplages d' entrée à 3 positions:
- Position DC: le signal d'entrée est transmis intégralement à l'amplificateur vertical Y , c'est la position la plus courante.
- Position AC : un condensateur est inversé dans I'entrée, donc bloque la composante continue du signal et on n'observe que la composante alternative.
- Position GND: lentrée de la voie nest plus reliée à l'entrée de I'amplificateur, elle est mise à la masse de référence. Cette position permet le réglage de la référence sur I' écran.
==> Réglage du commutateur de la base de temps: il doit être réglé pour que l' on observe une ou deux périodes du signal. Ce commutateur possède plusieurs positions étalonnées (en position calibré ) en séquence 1-2-5 en général de
.
==> Synchronisation: l'oscilloscope est synchronisé (stabilisé) par la commande de niveau de déclenchement.
L'oscillogramme visualisé à l'écran permet de connaître le signal et de mesurer certaines caractéristiques, en particulier l'amplitude du signal, également appelée la valeur de crête, ou la valeur de crête à crête.
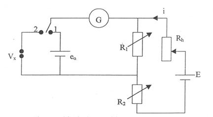
Cest une méthode très précise utilisée pour la mesure des tensions continues mais qui peut être étendue à la mesure des tensions alternatives.
La méthode consiste à réaliser une tension connue réglable que l'on oppose à la tension à mesurer Vx à travers un galvanomètre.

La figure1 montre le schéma réalisé pour mesurer Vx, le principe est le suivant :
Le commutateur étant la position 1, Rh est réglé pour que le galvanomètre ne dévie plus, le courant i est réglé à une valeur i0 et R1 est réglée à e0/i0 . Une fois le rhéostat régie à cette valeur, on n'y touche plus et R1 + R2 est maintenue constante. R1 et R2 sont deux boites de résistances jumelées, la somme reste constante.
Le commutateur est en position 2, on régie R1 à la valeur R'1 qui remet le galvanomètre sur 0, on déduit alors que:
![]()
La lecture de Vx est quasi immédiate sur les décades de la boîte de résistances R1. La méthode d'opposition donne une précision de 0,01 % (incertitude relative).
Pour introduire un ampèremètre dans un circuit, il faut ouvrir ce dernier en un point.

L'introduction de l'ampèremètre, du fait de sa consommation modifie le courant à mesurer, on cherche à rendre cette erreur systématique la plus faible possible.
Il suffit de mesurer à l'oscilloscope la tension aux bornes d'une résistance connue de faible valeur (pour ne pas perturber le circuit) parcourue par le courant à mesurer.
Lorsqu'une source de courant continu débite dans un circuit un courant d'intensité I sous la tension U, elle fournit la puissance P = UI.
Pour mesurer cette puissance avec un ampèremètre et un voltmètre, il n'est pas possible de faire simultanément la mesure des deux grandeurs
|
Ic : Courant dans la charge Uc : tension aux bornes de la charge Uv : tension aux bornes du voltmètres, Pc : puissance consommée par la charge |
![]() |

Où
est lerreur systématique qui est dautant plus petite que Rc et plus grande que rA.
Montage aval :
Ï 
![]()
Où Rv est la résistance interne du voltmètre.

L'erreur systématique est d'autant plus faible que Rv est plus grand que Rc.
La correction est en général plus sûre avec le montage aval, car Rv est habituellement mieux définie que rA.
3.1.2 Utilisation d'un wattmètre
Pour cette méthode, on utilise un wattmètre pour mesurer la puissance selon deux cas de montages ( montage amont et montage aval)
3.2 Mesure de la puissance en courant alternatif
La puissance instantanée fournie à une charge est :
p (t)= u(t) i(t) ; u et i étant les valeurs instantanées.
La puissance moyenne ou puissance active est donnée, dans le cas de grandeurs périodiques, par :

Si les grandeurs sont sinusoïdales

Alors
[W]
3.2.1 Méthode directe
Pour mesurer P, il suffit de brancher un wattmètre selon le montage de la figure 5
![]()
La précision de cette méthode dépend de la précision du wattmètre utilisé.
Le principe de cette méthode consiste à brancher trois ampèremètres suivant la configuration de la figure xx où R représente une résistance étalon de grande précision.

Figure 6 : Schéma de principe de la méthode de trois ampèremètres
![]()
Lavantage de cette méthode est la mesure de la puissance en haute fréquence et pour des charges de faible facteur de puissance.
3.2.3 Méthode des trois voltmètres :
Cette méthode est analogue à la précédente. Les voltmètres sont branchés selon la figure 7 où R représente une résistance étalon de grande précision.

Figure 7 : Schéma de principe de la méthode de trois voltmètres
![]()
Ces deux méthodes de mesure de la puissance active permettent également la détermination de la valeur de limpédance et du facteur de puissance de la charge.
3.3 Mesure des puissances réactives
La puissance réactive fournie à une charge en courant alternatif sinusoïdal est:
[VAR]
Pour mesurer la puissance réactive Q, il suffit de brancher un ampèremètre, un voltmètre et un wattmètre . Puis, de calculer
en tenant compte du type du récepteur :
S est la puissance apparente :
![]()
4 Mesure des résistances
La mesure des résistance se fait en courant continu le plus souvent.
Les méthodes et les appareils utilisés dépendent de la nature de la résistance mesurée et de son ordre de grandeur. On distingue :
- Les résistances faibles < 1 W
- Les résistances moyennes : de 1W à 1MW
- Les grandes résistances > 1MW
Une résistance n'est pas susceptible d'apporter lénergie nécessaire au fonctionnement d'un élément moteur comme cest le cas pour une intensité ou une tension.
La méthode de déviation se ramène toujours à la détermination de la tension à ses bornes et du courant qui la traverse.
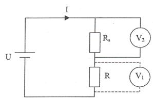
4.1 Méthode voltampèremétrique
Les deux méthodes utilisées sont les montages amont et aval.
Ï Montage amant :

Lerreur systématique relative est :

Ï Montage aval :

Lerreur systématique relative est :

La courbe de lerreur relative
en fonction de R est :

Le montage aval est utilisé pour les faibles résistances alors que le montage amant est utilisé pour les résistances élevées.
4.2 Méthode de substitution

Elle consiste à faire débiter le même courant dans la résistance inconnue R et la résistance connue Rs réglable et on a : R=Rs
4.3 Méthode de comparaison
Elle consiste à faire traverser par le même courant la résistance à mesurer R et une résistance connue Rs

![]()
Si on tient compte de la résistance interne des voltmètres Rv et de la résistance interne r de la source de tension (c'est le même voltmètre que lon place successivement sur R puis sur Rs).
![]()
est faible si r est faible, Rv élevée et Rs voisine de R.
4.4 Pont de Wheatstone
Il est constitue de 4 résistances, d'un galvanomètre et d'une source de tension.

![]()
Les erreurs dans une mesure au pont de Wheatstone sont dues à plusieurs causes:
- Les erreurs de construction des résistances R1, R2 et R3.
![]()
- Les erreurs dues à une mauvaise appréciation de la nullité du courant dans le galvanomètre.
On choisit le rapport R2/R1 de façon à avoir le maximum de chiffres significatifs sur la boite de résistance R3. On choisit également R1 + R2 la plus faible possible pour avoir la plus de précision.
cours mesure mesurage métrologie unités appareils de mesure méthodes de mesure erreurs de mesures incertitudes de mesure calibre classe de précision
Révisé le :22-11-2017 www.technologuepro.com Facebook Twitter RSS